
How to Inspect Injection Molded Parts for Dimensional Accuracy?
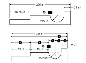
Dimensional accuracy is one of the most critical quality requirements in injection-molded plastic parts. Even minor dimensional deviations can lead to assembly problems, functional failures, cosmetic defects, or product recalls. As industries demand tighter tolerances, thinner walls, and higher part complexity, inspecting injection molded parts for dimensional accuracy has become


